11
Iranian Kave spring company
162787, 162788 :OEM کد
E0HT5310BA, E0HZ5310B, E9HT5310DA, EOR75310BA, F2HT5310EA, F2HZ5310E :OEM کد
719480 :OEM کد
48110-8213 :OEM کد
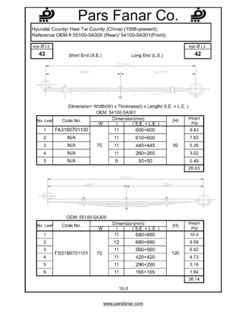
54100-5A301 :OEM کد
54100-46052 :OEM کد
54100-45002, 54100-45203 :OEM کد
8971471101 :OEM کد
8970965442, 8971223812 :OEM کد
8980799230, 8980799240 :OEM کد
3141320110, 3413200202 :OEM کد
3463205202, 3633200002, 3873200102 :OEM کد























